Veuillez sélectionner votre lieu de livraison

Le choix du site pays peut avoir un effet sur différents facteurs tels que le prix, les options de livraison et la disponibilité des produits.
Mon interlocuteur
Sélectionner un département
FR(FR)

drylin® SLN - unité linéaire miniature à moteur

Unité linéaire à moteur

Version compacte

Fonctionnement sans graisse sur la base du guidage miniature drylin® N

Unité linéaire miniature à moteur testée et prête à monter

Logement sur roulements à billes pour un mouvement dynamique, optimisé et avec peu de jeu

Disponible en 3 pas de vis : filet M5 (5x0,8 mm), filets hélicoïdaux 5x5 et 6x12,7

SLN-27-14 Chariot à réglage manuel du jeu et de la hauteur, vis montée sur roulements à billes
 
SLN-27-15 Chariot à précontrainte à ressort (preload) et réglage manuel du jeu et de la hauteur, vis montée sur roulements à billes
 
Moteur intégré Moteur pas à pas NEMA 11 à cordon Couple de maintien Mo 0,13 Nm, cote de raccordement 28x28 mm
 
Disponibles en option : Capteurs pouvant être positionnés directement sur le profil en un point quelconque
Réf. IK-0052 kit capteurs avec support pour SLN, inductif,PNP, ouverture/NC
Réf. IK-0053 kit capteurs avec support pour SLN, inductif, PNP fermeture/NO
 

Toutes les variantes sont disponibles prêtes à être raccordées et dans les longueurs de course de 100/150/200/250 mm. Autres courses disponibles sur demande.
 
Avantage supplémentaire pour toutes les versions : Sur toutes les versions, les capteurs peuvent être placés directement sur le rail, en un point quelconque.
 
Domaines d'application type :Distributeurs, technique médicale et laboratoires, technique de contrôle

Gamme :

Données techniques

Réf. Longueur de la course patin supplém.
(par 100 mm)
Force stat. admis.
maxi
Vitesse
maxi
Couple
d'entraînement
   
    [g] [g] axiale[N] radiale[N] [tr/min.]. [Nm]    
SLN-27-14-0050-100-11-L-S-000 100 60 40 10 40 300 0,1 Sur demande Dans le panier
SLN-27-14-0050-150-11-L-S-000 150 60 40 10 40 300 0,1 Sur demande Dans le panier
SLN-27-14-0050-200-11-L-S-000 200 60 40 10 40 300 0,1 Sur demande Dans le panier
SLN-27-14-0050-250-11-L-S-000 200 60 40 10 40 300 0,1 Sur demande Dans le panier
SLN-27-15-0050-100-11-L-S-000 100 60 40 10 40 300 0,1 Sur demande Dans le panier
SLN-27-15-0050-150-11-L-S-000 150 60 40 10 40 300 0,1 Sur demande Dans le panier
SLN-27-15-0050-200-11-L-S-000 200 60 40 10 40 300 0,1 Sur demande Dans le panier
SLN-27-15-0050-250-11-L-S-000 250 60 40 10 40 300 0,1 Sur demande Dans le panier
Plus d'informations sur l'article choisi :
CAO 3D CAO 3D
Commande d‘échantillons Commande d‘échantillons
Demande de prix Demande de prix
myCatalog myCatalog

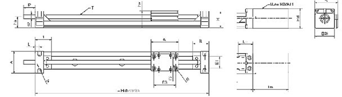
Cotes [mm]

Réf. A Al H E1 E2 E3 l hw lt lb ts tg T d2 l2 ha    
  ±0,2 -0,1 ±0,2 ±0,15 ±0,15 ±0,15   ±0,2 ±0,2                
SLN-27-14-0050-100-11-L-S-000 28 35 21,5 20,5 15 28 76 22 20,2 5 3,5 M3 5x5 M5 15 14 Sur demande Dans le panier
SLN-27-14-0050-150-11-L-S-000 28 35 21,5 20,5 15 28 76 22 20,2 5 3,5 M3 5x5 M5 15 14 Sur demande Dans le panier
SLN-27-14-0050-200-11-L-S-000 28 35 21,5 20,5 15 28 76 22 20,2 5 3,5 M3 5x5 M5 15 14 Sur demande Dans le panier
SLN-27-14-0050-250-11-L-S-000 28 35 21,5 20,5 15 28 76 22 20,2 5 3,5 M3 5x5 M5 15 14 Sur demande Dans le panier
SLN-27-15-0050-100-11-L-S-000 28 35 21,5 20,5 15 28 76 22 20,2 5 3,5 M3 5x5 M5 15 14 Sur demande Dans le panier
SLN-27-15-0050-150-11-L-S-000 28 35 21,5 20,5 15 28 76 22 20,2 5 3,5 M3 5x5 M5 15 14 Sur demande Dans le panier
SLN-27-15-0050-200-11-L-S-000 28 35 21,5 20,5 15 28 76 22 20,2 5 3,5 M3 5x5 M5 15 14 Sur demande Dans le panier
SLN-27-15-0050-250-11-L-S-000 28 35 21,5 20,5 15 28 76 22 20,2 5 3,5 M3 5x5 M5 15 14 Sur demande Dans le panier
Plus d'informations sur l'article choisi :
CAO 3D CAO 3D
Commande d‘échantillons Commande d‘échantillons
Demande de prix Demande de prix
myCatalog myCatalog

Module linéaire avec moteur
dimensions [mm]

Réf. ltm HM AI li l Lm    
SLN-27-14-0050-100-11-L-S-000 20,5 28 33 25 83 variable Sur demande Dans le panier
SLN-27-14-0050-150-11-L-S-000 20,5 28 33 25 83 variable Sur demande Dans le panier
SLN-27-14-0050-200-11-L-S-000 20,5 28 33 25 83 variable Sur demande Dans le panier
SLN-27-14-0050-250-11-L-S-000 20,5 28 33 25 83 variable Sur demande Dans le panier
SLN-27-15-0050-100-11-L-S-000 20,5 28 33 25 83 variable Sur demande Dans le panier
SLN-27-15-0050-150-11-L-S-000 20,5 28 33 25 83 variable Sur demande Dans le panier
SLN-27-15-0050-200-11-L-S-000 20,5 28 33 25 83 variable Sur demande Dans le panier
SLN-27-15-0050-250-11-L-S-000 20,5 28 33 25 83 variable Sur demande Dans le panier
Plus d'informations sur l'article choisi :
CAO 3D CAO 3D
Commande d‘échantillons Commande d‘échantillons
Demande de prix Demande de prix
myCatalog myCatalog

Délai de livraison sur demande

Les termes "Apiro", "AutoChain", "CFRIP", "chainflex", "chainge", "chains for cranes", "ConProtect", "cradle-chain", "CTD", "drygear", "drylin", "dryspin", "dry-tech", "dryway", "easy chain", "e-chain", "e-chain systems", "e-ketten", "e-kettensysteme", "e-loop", "energy chain", "energy chain systems", "enjoyneering", "e-skin", "e-spool", "fixflex", "flizz", "i.Cee", "ibow", "igear", "iglidur", "igubal", "igumid", "igus", "igus improves what moves", "igus:bike", "igusGO", "igutex", "iguverse", "iguversum", "kineKIT", "kopla", "manus", "motion plastics", "motion polymers", "motionary", "plastics for longer life", "print2mold", "Rawbot", "RBTX", "readycable", "readychain", "ReBeL", "ReCyycle", "reguse", "robolink", "Rohbot", "savfe", "speedigus", "superwise", "take the dryway", "tribofilament", "tribotape", "triflex", "twisterchain", "when it moves, igus improves", "xirodur", "xiros" and "yes" sont des marques protégées de la société igus® en République fédérale d'Allemagne et le cas échéant à niveau international. Il s'agit ici d'une liste non exhaustive de marques (demandes de marques en cours ou marques déposées par exemple) de la société igus ou de sociétés affiliées à igus en Allemagne, dans l'Union européenne, aux États-Unis et/ou dans d'autres pays ou juridictions.

La société igus® SE & Co. KG signale qu'elle ne vend pas de produits des sociétés Allen Bradley, B&R, Baumüller, Beckhoff, Lahr, Control Techniques, Danaher Motion, ELAU, FAGOR, FANUC, Festo, Heidenhain, Jetter, Lenze, LinMot, LTi DRiVES, Mitsubishi, NUM, Parker, Bosch Rexroth, SEW, Siemens, Stöber ni de tous les autres fabricants d'entraînements indiqués sur ce site Web. Les produits proposés par igus® sont des produits de la société igus® SE & Co. KG