Veuillez sélectionner votre lieu de livraison

Le choix du site pays peut avoir un effet sur différents facteurs tels que le prix, les options de livraison et la disponibilité des produits.
Mon interlocuteur
Sélectionner un département
FR(FR)
Patin hybride WJRM-BB-31

Fonctionnement fluide sans graisse : WJRM-BB-31 & 41

Nouveaux patins hybrides drylin® W montés sur billes

Le guidage hybride WSR drylin® W allie fonction et design. Monté latéralement, il permet le déplacement de portes, de panneaux, d'étagères ou d'écrans. Ce déplacement est maintenant encore plus facile et exige moins de force. Les patins hybrides drylin® W que renferme le guidage sont maintenant aussi disponibles avec des roulements à billes au mouvement fluide. La combinaison entre l'orientation optimisée des roulettes (simple/double) et l'intégration de roulements à billes (BB) réduit le coefficient de frottement de la moitié. Elle convient à la perfection à tous les déplacements manuels. Les deux variantes de patins hybrides WJRM-31-10-BB et WJRM-41-10-BB complètent la gamme modulaire de guidages hybrides drylin® W.
 

  • Roulettes et éléments de glissement en polymères iglidur® sans graisse résistants à l'usure
  • Mouvement fluide grâce au roulement à billes
  • Ecarts au choix par positionnement flexible des patins hybrides
  • Chariot linéaire en 3 longueurs (100/150/200 mm) par combinaison avec des plaques de montage WWYR

Améliorer la technicité

Améliorer la technicité

  • Patins hybrides montés sur roulements à billes pour déplacements latéraux fluides
  • Niveau sonore jusqu'à 4 fois moins élevé que celui des patins métalliques grâce aux polymères hautes performances igus
  • Faible hauteur de montage de 30 mm sur le rail WSR-10-120 très esthétique
  • Orientation optimale des roulettes pour une absorption maximale de la force
Baisser les coûts

Baisser les coûts

  • Boîtiers économiques en zamac
  • Patins sans graissage
  • Positionnement individuel ou sous forme de chariot complet avec plaques de montage en 3 longueurs disponibles dans le système modulaire linéaire drylin® W
Preuves

Preuves

  • Durée de vie testée dans le laboratoire igus
  • Mouvement plus facile (amélioré de 70 %)
Durabilité

Durabilité

  • Déplacement exigeant peu d'énergie
  • Guidage linéaire propre sans graissage
  • L'utilisateur ne se salit pas


Les raisons de la mise au point des patins hybrides WJRM-BB-31 & 41 :

Les patins WJRM-BB-31 & WJRM-BB-41 ont été mis au point pour compléter notre gamme de patins.  
 
Ils parviennent à réduire le coefficient de frottement de moitié et nous sommes très fiers d'être parvenus à fabriquer un patin qui soit aussi robuste tout en étant léger.  
 
Ces patins trouveront surtout leur usage dans l'agencement de boutiques, la construction de stands pour les salons, l'organisation de bureau, la construction de meubles ainsi que les technique liée aux médias et aux événements. D'autres usages sont naturellement possibles.
 

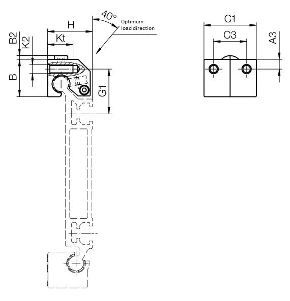
Plan technique des patins hybrides WJRM-BB-31 & 41

Questions au responsable produits

Spécialiste igus® Aurélien ERSON

Le spécialiste igus® vous conseille volontiers et sans engagement de votre part.

Prendre contact

Télécharger le catalogue actuel

Nouveautés HMI 2020

Télécharger le PDF par simple clic avec la souris et découvrir igus®.

Téléchargements PDF

Autres produits drylin

Icône boutique en ligne

Découvrez dans notre boutique en ligne des produits et des solutions extrêmement variés pour résoudre vos problèmes

Autres produits


Exemples d'applications avec nos produits drylin



Les termes "Apiro", "AutoChain", "CFRIP", "chainflex", "chainge", "chains for cranes", "ConProtect", "cradle-chain", "CTD", "drygear", "drylin", "dryspin", "dry-tech", "dryway", "easy chain", "e-chain", "e-chain systems", "e-ketten", "e-kettensysteme", "e-loop", "energy chain", "energy chain systems", "enjoyneering", "e-skin", "e-spool", "fixflex", "flizz", "i.Cee", "ibow", "igear", "iglidur", "igubal", "igumid", "igus", "igus improves what moves", "igus:bike", "igusGO", "igutex", "iguverse", "iguversum", "kineKIT", "kopla", "manus", "motion plastics", "motion polymers", "motionary", "plastics for longer life", "print2mold", "Rawbot", "RBTX", "readycable", "readychain", "ReBeL", "ReCyycle", "reguse", "robolink", "Rohbot", "savfe", "speedigus", "superwise", "take the dryway", "tribofilament", "tribotape", "triflex", "twisterchain", "when it moves, igus improves", "xirodur", "xiros" and "yes" sont des marques protégées de la société igus® en République fédérale d'Allemagne et le cas échéant à niveau international. Il s'agit ici d'une liste non exhaustive de marques (demandes de marques en cours ou marques déposées par exemple) de la société igus ou de sociétés affiliées à igus en Allemagne, dans l'Union européenne, aux États-Unis et/ou dans d'autres pays ou juridictions.

La société igus® SE & Co. KG signale qu'elle ne vend pas de produits des sociétés Allen Bradley, B&R, Baumüller, Beckhoff, Lahr, Control Techniques, Danaher Motion, ELAU, FAGOR, FANUC, Festo, Heidenhain, Jetter, Lenze, LinMot, LTi DRiVES, Mitsubishi, NUM, Parker, Bosch Rexroth, SEW, Siemens, Stöber ni de tous les autres fabricants d'entraînements indiqués sur ce site Web. Les produits proposés par igus® sont des produits de la société igus® SE & Co. KG