Veuillez sélectionner votre lieu de livraison

Le choix du site pays peut avoir un effet sur différents facteurs tels que le prix, les options de livraison et la disponibilité des produits.
Mon interlocuteur
Sélectionner un département
FR(FR)

Augmenter la durée de vie tout en baissant les coûts de 25% et plus

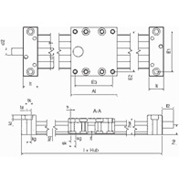
Modules linéaires drylin® SLW… 7 tailles, configurables individuellement, disponibles rapidement

Glisser plutôt que rouler ! Sans graisse avec les polymères dry-tech®

Les modules linéaires igus® SLW sont basés sur le système linéaire modulaire drylin® W et sur les polymères hautes performances dry-tech® sans entretien et auto-lubrifiants. Un lubrifiant incorporé au matériau du palier permet à ceux-ci de fonctionner à sec durablement, c´est-à-dire sans entretien sur toute leur durée de vie. Des modules linéaires prêts à monter sont livrables très rapidement.

Bénéficiez des avantages techniques de nos produits sans entretien de technique d´entraînement drylin®.

1.1. Résistance à la saleté, à la poussière et à l´humidité

Le mouvement repousse les particules de la surface de contact

Principe de fonctionnement

Résistance à la saleté, à la poussière et à l´humidité

Fonctionnement à sec, sans graissage

Les systèmes de guidage linéaire drylin® sont conçus pour un fonctionnement à sec. De ce fait, toutes les applications sont à l´abri de la saleté provoquée par la graisse et l´huile. Il est ainsi possible de les utiliser même en présence de saleté grossière et de sable.

Testés par igus®

Insensibilité à la saleté

Le mouvement repousse les particules de saleté même de la surface de contact. La face des éléments de glissement agit comme un racleur. La surface de contact reste propre.

Exemple d´application

Installation de production de couches

Ces installations traitent des éléments super absorbeurs et de la cellulose, qui produisent une saleté et une poussière relativement importantes. Les super absorbeurs ont en outre le même effet que le sable, de la saleté se produisant en raison du frottement.

1.2. Faible niveau sonore

Principe de fonctionnement

Faible niveau sonore et fonctionnement régulier

silencieux

Le fonctionnement a lui aussi un niveau sonore nettement plus faible grâce au principe "glisser plutôt que rouler". L´absence de roulement mécanique d´un matériau dur sur un autre et de contact entre les billes limite énormément le bruit.

Testés par igus®

Silencieux

Le glissement est peu bruyant et ne génère qu´un léger sifflement.

Exemple d´application

Détection de rebords de bande

Changement de format des capteurs de la détection du rebord d´une bande et d´une marque d´impression par une solution à table linéaire drylin® SLW dotée d´un indicateur de position et d´une molette (positionnement aisé et reproductible de l´extérieur)

1.3. Propreté et hygiène

Principe de fonctionnement

Faible niveau sonore et fonctionnement régulier

Propre et hygiénique

Le fonctionnement à sec des paliers lisses iglidur® est un atout non seulement en présence de saleté mais aussi dans les applications exigeantes en termes d´hygiène et de pureté, qui bénéficient de l´absence de lubrifiant

Testés

Compatibles salles blanches

Les guidages drylin® testés conviennent tout à fait aux salles blanches. Les tests ont porté sur les guidages drylin® N40, W10, T25 et T30 d´igus®.

Exemple d´application

Codeur

Cette table linéaire à vis drylin® dotée d´un indicateur de position et d´une molette est utilisée, en raison de son absence de lubrifiant, dans un codeur destiné au marquage de fromage .

1.4. Absence de corrosion

Principe de fonctionnement

Comportement face à la corrosion

Insensible à la corrosion et résistant aux agents

Tous les paliers lisses polymères iglidur® sont insensibles à la corrosion de par définition. Il existe en plus des spécialistes qui, du fait de leur grande résistance aux soudes, aux acides, aux produits de nettoyage, etc. peuvent être utilisés dans les conditions les plus rudes. - La gamme comporte également des spécialistes de l´immersion sur une période prolongée.

Testés par igus®

Insensible à la corrosion et résistant aux agents

Unité insensible à la corrosion

La résistance des systèmes de guidage linéaire dépend tout autant du matériau auquel ils sont associés. Le système modulaire igus® peut être fourni comme unité entièrement insensible à la corrosion en inox.

Exemple d´application

Systèmes d´inspection

Table linéaire à vis drylin® SLW ou SHT pour le réglage en hauteur de caméras ou de capteurs.

2. Matériaux pour paliers lisses

Matériaux pour tous types d´arbres, excellents taux d´usure

Principe de fonctionnement

Résistants à l´usure : films lisses en polymères hautes performances

Polymères hautes performances

Les modules linéaires SLW peuvent être configurés et livrés en des matériaux répondant aux exigences de votre application. En version standard, les systèmes SLW sont configurés avec des paliers en iglidur® J/J200 résistant à l´usure. Pour les applications exigeant une résistance extrême aux produits chimiques, les paliers et les écrous pour vis en iglidur® X combinés à de l´inox sont la meilleure option. Le matériau iglidur® A180 conforme aux exigences du FDA convient tout particulièrement aux applications du secteur alimentaire et pharmaceutique.

Testés par igus®

Matériau de film lisse

iglidur® J

Le matériau standard

Meilleurs coefficients de frottement

Bonne résistance à l´usure

Très faible absorption d´humidité


iglidur® J200

Optimal avec de l´aluminium

Faibles coefficients de frottement

Excellents taux d´usure avec l´aluminium anodisé


iglidur® A180

Conformité aux exigences du FDA

Pour une proximité (ou un contact) directe avec des produits alimentaires ou pharmaceutiques

Faible absorption d´humidité


iglidur® X

Températures élevées comprises entre -100 et 250 °C

Résistance universelle aux produits chimiques

Résistance élevée à la compression

Testés par igus®

* Des tests étendus en laboratoire ainsi que des années d´expérience ont montré que l´iglidur® J, J200, X et A180 sont les meilleurs matériaux pour la plupart des applications linéaires en raison de leurs caractéristiques d´usure et de frottement.

3. Sélection du matériau optimal pour la bride

Différents matériaux de bride au choix

Zamac : bride standard économique

Aluminium : pièce plus légère

Inox : résistance à la corrosion et aux températures élevées

Mécanisme turn-to-fit : réglage manuel du jeu grâce à la fonction "turn-to-fit"


4. Sélection de la vis

Types de vis

Résistants à l´usure : films lisses en polymères hautes performances

Vis trapézoïdales

Les modules linéaires SLW sont configurés en version standard avec des vis trapézoïdales à pas simple et un blocage automatique. Cela signifie qu´il n´y a aucun mouvement de l´écrou ni de la vis sans influence d´une force extérieure en raison de l´angle de flanc et du frottement. Le chariot reste dans la position choisie. Les écrous pour vis trapézoïdales sans graisse drylin® peuvent être associés avec des vis en acier C15, en acier VA insensible à la corrosion (304/1.4305) ainsi qu´en aluminium anodisé.

Types de vis

Vis hélicoïdales

Les modules linéaires drylin® peuvent être équipés de vis à pas hélicoïdal pour les tâches de déplacement et de positionnement rapides. Les vis à pas hélicoïdal sont en acier inoxydable (X20) et n´ont pas de mécanisme autobloquant. Elles conviennent de ce fait aux applications sur lesquelles les chariots linéaires sont rapidement déplacés à la main si cela est souhaité.

Exemple d´application

Changement de format

Application dans le secteur du verre. Changement de format sur un convoyeur de séparation de bouteilles.

5. Rails profilés drylin® W

... Aluminium anodisé dur
... Inox (taille 1040 & 2080)

Principe de fonctionnement

Résistants à l´usure : films lisses en polymères hautes performances

Excellentes propriétés de déplacement

Les modules linéaires des gammes SLW, SAW et ZLW sont basés sur le système linéaire modulaire drylin® W sans graisse. Les profilés en aluminium extrêmement résistants à la déformation sont extrudés. Leur surface est anodisée dur et se distingue par une bonne résistance à l´usure, une grande résistance aux produits chimiques et une grande dureté. Associés à nos polymères hautes performances dry-tech®, ils offrent les meilleures propriétés de déplacement tout en étant calculables et ayant une longue durée de vie.

Exemple d´application

Résistance à la corrosion

Des modules SLW en acier inoxydable basés sur des arbres de guidage en inox 316Ti (1.4571) sont disponibles pour les milieux exigeant une résistance extrême à la corrosion.

Aides à la sélection igus®

Recherche de produits pour la technique d´entraînement

Comparer, concevoir et configurer des unités linéaires en ligne, rapidement et simplement.
 

 
Système d´expertise & calcul de la durée de vie. Jamais la sélection de guidages linéaires drylin® n´avait été aussi simple.

6. 7 tailles, 7 largeurs de chariot

Les modules linéaires SLW sont disponibles en 7 tailles. De la taille 06 à la taille 25, la gamme SLW vous propose le module linéaire convenant à votre application.

Rail double carré

Taille 30 : 54 mm

Rail double rond

Taille 1040 : 73 mm
Taille 1080 : 107 mm
Taille 1660 : 104 mm
Taille 2080 : 153 mm
Taille 25120 : 195 mm

7. Sélection de la longueur de chariot optimale

Les modules linéaires SLW peuvent être assemblés avec des chariots de différentes longueurs pour avoir le meilleur support qui soit. Une solution avec plusieurs chariots est possible pour toutes les tailles.
Taille 06 : 60/80/100
Taille 1040 : 69/100/150
Taille 1080 : 100/150/200
Taille 10120 : 100/150/200
Taille 1660 : 100/150/200
Taille 2080 : 150/200/250
Taille 25120 : 150/200/250

8. Courses au choix

Principe de fonctionnement

Différents types de rails

Configuration au millimètre près

Les modules linéaires SLW peuvent être configurés au millimètre près et s´adaptent donc parfaitement aux exigences des clients.

Principe de fonctionnement

Courses maximales

La course maximale dépend de la taille.
 
Taille 0630 : 300 mm
Taille 1040 : 750 mm
Taille 1080 : 750 mm
Taille 1660 : 750 mm
Taille 2080 : 1000 mm
Taille 25120 : 1250 mm

Principe de fonctionnement

Vis à déplacement régulier pour courses >750 mm

Ces supports de vis suivant le chariot de guidage qui se positionnent en différents points de la course permettent à l´utilisateur de réaliser sans problème des courses longues >750 mm.

9. Diamètre de rail

Rail double carré

Taille : 06 mm

Rail double rond

Taille : 10mm, 16 mm, 20 mm, 25 mm

11. Accessoires/ options

Accessoires pour le déplacement

Nombreux accessoires

Déplacement manuel

De nombreux accessoires sont disponibles pour un déplacement rapide et aisé des modules linéaires drylin® SLW. En cas de configuration directe avec l´unité linéaire, le tout est fourni entièrement monté.
Indicateur de position

Dispositif de blocage

Molette

Renvoi d´angle

Accessoires pour le déplacement

Déplacement avec moteur

Les modules linéaires de la gamme SLW peuvent être configurés et fournis prêts à être montés avec des moteurs pas à pas ou à courant continu drylin® E. Une vaste gamme d´accessoires comprenant kits moteur, câbles de puissance pour moteurs chainflex, capteurs, transmissions ou plaques d´adaptation pour structures à portique est également disponible.

Exemple d´application

drylin® E : "E" comme électrique

La conséquence logique de l´idée modulaire et de la technique d´entraînement drylin® sans graisse
 
Comparer, concevoir et configurer des tables linéaires et moteurs adaptés en ligne, rapidement et simplement.

Plus d´informations :


Demande d´échantillons



Les termes "Apiro", "AutoChain", "CFRIP", "chainflex", "chainge", "chains for cranes", "ConProtect", "cradle-chain", "CTD", "drygear", "drylin", "dryspin", "dry-tech", "dryway", "easy chain", "e-chain", "e-chain systems", "e-ketten", "e-kettensysteme", "e-loop", "energy chain", "energy chain systems", "enjoyneering", "e-skin", "e-spool", "fixflex", "flizz", "i.Cee", "ibow", "igear", "iglidur", "igubal", "igumid", "igus", "igus improves what moves", "igus:bike", "igusGO", "igutex", "iguverse", "iguversum", "kineKIT", "kopla", "manus", "motion plastics", "motion polymers", "motionary", "plastics for longer life", "print2mold", "Rawbot", "RBTX", "readycable", "readychain", "ReBeL", "ReCyycle", "reguse", "robolink", "Rohbot", "savfe", "speedigus", "superwise", "take the dryway", "tribofilament", "tribotape", "triflex", "twisterchain", "when it moves, igus improves", "xirodur", "xiros" and "yes" sont des marques protégées de la société igus® en République fédérale d'Allemagne et le cas échéant à niveau international. Il s'agit ici d'une liste non exhaustive de marques (demandes de marques en cours ou marques déposées par exemple) de la société igus ou de sociétés affiliées à igus en Allemagne, dans l'Union européenne, aux États-Unis et/ou dans d'autres pays ou juridictions.

La société igus® SE & Co. KG signale qu'elle ne vend pas de produits des sociétés Allen Bradley, B&R, Baumüller, Beckhoff, Lahr, Control Techniques, Danaher Motion, ELAU, FAGOR, FANUC, Festo, Heidenhain, Jetter, Lenze, LinMot, LTi DRiVES, Mitsubishi, NUM, Parker, Bosch Rexroth, SEW, Siemens, Stöber ni de tous les autres fabricants d'entraînements indiqués sur ce site Web. Les produits proposés par igus® sont des produits de la société igus® SE & Co. KG