Veuillez sélectionner votre lieu de livraison

Le choix du site pays peut avoir un effet sur différents facteurs tels que le prix, les options de livraison et la disponibilité des produits.
Mon interlocuteur
Sélectionner un département
FR(FR)

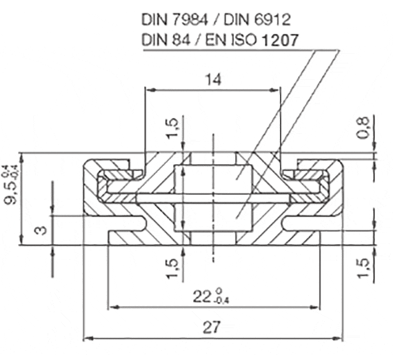
drylin® N - guidage miniature long NW-04-27

N° de commande Poids du rail Longueur maxi de rail Prix / m  
  [g/m] [mm]    
prêt(s) à être expédié(s) en 7 jours ouvrés NS-01-27 290 3000 25,74 EUR Dans le panier
prêt(s) à être expédié(s) en 7 jours ouvrés NS-01-27-UNGEBOHRT 290 3000 23,41 EUR Dans le panier
prêt(s) à être expédié(s) en 7 jours ouvrés NS-01-27-AR 290 3000 30,07 EUR Dans le panier
Plus d'informations sur l'article choisi :
CAO 3D CAO 3D
Commande d‘échantillons Commande d‘échantillons
PDF PDF
Demande de prix Demande de prix
myCatalog myCatalog

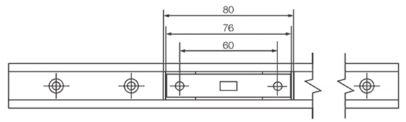
Version 04 : patin double avec trous lamés

N° de commande Poids du patin    
  [g]    
prêt(s) à être expédié(s) en 7 jours ouvrés NW-11-27-80-LLY 25 6,83 EUR Dans le panier
prêt(s) à être expédié(s) en 7 jours ouvrés NW-11-27-80-LLZ 25 6,83 EUR Dans le panier
prêt(s) à être expédié(s) en 7 jours ouvrés NW-11-27-80-LLYZ 25 6,83 EUR Dans le panier
Plus d'informations sur l'article choisi :
CAO 3D CAO 3D
Commande d‘échantillons Commande d‘échantillons
PDF PDF
Demande de prix Demande de prix
myCatalog myCatalog

Commande d'un système complet

Configuration rapide et simple

1. Définition du nombre de patins
2. Type de patin
3. Longueur de rail en mm
4. Options pour les patins
5. Options pour les rails

Note :

Vous trouverez des informations détaillées en bas dans les plans ou aux pages indiquées ci-dessous. Vous trouverez des informations précises concernant les paliers flottants sous la rubrique "Consignes de construction"
1

Pas de palier flottant

2

Patin flottant dans l'axe Z

3

Patin flottant dans l'axe Y

4

Patin flottant dans l'axe y et z

drylin® NK - Système complet

Étape 1

Indiquez le nombre de patins souhaités.

technical drawing
Nombre de patins :


prêt(s) à être expédié(s) en 7 jours ouvrés

Les termes "Apiro", "AutoChain", "CFRIP", "chainflex", "chainge", "chains for cranes", "ConProtect", "cradle-chain", "CTD", "drygear", "drylin", "dryspin", "dry-tech", "dryway", "easy chain", "e-chain", "e-chain systems", "e-ketten", "e-kettensysteme", "e-loop", "energy chain", "energy chain systems", "enjoyneering", "e-skin", "e-spool", "fixflex", "flizz", "i.Cee", "ibow", "igear", "iglidur", "igubal", "igumid", "igus", "igus improves what moves", "igus:bike", "igusGO", "igutex", "iguverse", "iguversum", "kineKIT", "kopla", "manus", "motion plastics", "motion polymers", "motionary", "plastics for longer life", "print2mold", "Rawbot", "RBTX", "readycable", "readychain", "ReBeL", "ReCyycle", "reguse", "robolink", "Rohbot", "savfe", "speedigus", "superwise", "take the dryway", "tribofilament", "tribotape", "triflex", "twisterchain", "when it moves, igus improves", "xirodur", "xiros" and "yes" sont des marques protégées de la société igus® en République fédérale d'Allemagne et le cas échéant à niveau international. Il s'agit ici d'une liste non exhaustive de marques (demandes de marques en cours ou marques déposées par exemple) de la société igus ou de sociétés affiliées à igus en Allemagne, dans l'Union européenne, aux États-Unis et/ou dans d'autres pays ou juridictions.

La société igus® SE & Co. KG signale qu'elle ne vend pas de produits des sociétés Allen Bradley, B&R, Baumüller, Beckhoff, Lahr, Control Techniques, Danaher Motion, ELAU, FAGOR, FANUC, Festo, Heidenhain, Jetter, Lenze, LinMot, LTi DRiVES, Mitsubishi, NUM, Parker, Bosch Rexroth, SEW, Siemens, Stöber ni de tous les autres fabricants d'entraînements indiqués sur ce site Web. Les produits proposés par igus® sont des produits de la société igus® SE & Co. KG