1 sur 2
igus-icon-lupe
igus-three-dimensional-model
- Référence: GLWFM-0405-04
- Matériau: iglidur® GLW
- Forme: Paliers lisses à collerette
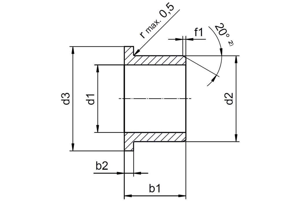
- Cotes:
- d1 4 mm
- d2 5.5 mm
- d3 9.5 mm
- b1 4 mm
- b2 0.8 mm
- Adapter les dimensions
- Méthode de fabrication: Moulage par injection
- Durée de vie:
- L'économique pour les grandes séries
- Applications soumises à des charges statiques
- Economique
- Résistant à la saleté
- Insensible aux variations
- Sans graisse et sans entretien
iglidur® GLW | L'économique pour les grandes séries
Les paliers lisses en iglidur® GLW nous permettent d’offrir à nos clients une alternative à l’iglidur® G pour les grandes séries. Ils présentent des caractéristiques semblables à celles de l’iglidur® G et sont tout particulièrement recommandés pour les charges essentiellement statiques. Ils représentent une alternative très économique pour ces applications où les propriétés dynamiques de l’iglidur® G ne sont pas essentielles.
Domaines d'application type
Secteur automobile
Génie mécanique
Industrie robotique
Vous trouverez d’autres possibilités d’utilisation ici :
Solutions sectorielles
Utilisez nos filtres pour trouver le produit qui convientTolérances et système de mesure
Les dimensions de montage et les tolérances des paliers lisses iglidur® dépendent du matériau et de l’épaisseur de paroi. Pour le matériau, ce sont l'absorption d'humidité et la dilatation qui sont décisives. Les paliers absorbants très peu l'humidité peuvent être mis en place avec un faible jeu. Quant à l'épaisseur des parois, plus le palier est épais, et plus le jeu devra être important.
Méthodes dessai
montage
Les paliers lisses iglidur® sont prévus pour être emmanchés. Ce n’est qu'après emmanchement dans l'alésage que le diamètre intérieur est porté à la bonne tolérance. Avant emmanchement, le surdimensionnement du palier peut varier de 2% maximum du diamètre intérieur. Cela permet de garantir un ajustement serré sûr de la palier. Tout glissement axial ou radial est ainsi évité.
iglidur® - Montage, collage, usinage par enlèvement de copeaux
Les paliers lisses en iglidur® GLW nous permettent d’offrir à nos clients une alternative à l’iglidur® G pour les grandes séries. Ils présentent des caractéristiques semblables à celles de l’iglidur® G et sont tout particulièrement recommandés pour les charges essentiellement statiques. Ils représentent une alternative très économique pour ces applications où les propriétés dynamiques de l’iglidur® G ne sont pas essentielles.
Domaines d'application type
Secteur automobile
Génie mécanique
Industrie robotique
Vous trouverez d’autres possibilités d’utilisation ici :
Solutions sectorielles
Dans quel cas le choisir ?
| Dans quel cas ne pas le choisir
|
Les dimensions de montage et les tolérances des paliers lisses iglidur® dépendent du matériau et de l’épaisseur de paroi. Pour le matériau, ce sont l'absorption d'humidité et la dilatation qui sont décisives. Les paliers absorbants très peu l'humidité peuvent être mis en place avec un faible jeu. Quant à l'épaisseur des parois, plus le palier est épais, et plus le jeu devra être important.
Méthodes dessai
montage
Les paliers lisses iglidur® sont prévus pour être emmanchés. Ce n’est qu'après emmanchement dans l'alésage que le diamètre intérieur est porté à la bonne tolérance. Avant emmanchement, le surdimensionnement du palier peut varier de 2% maximum du diamètre intérieur. Cela permet de garantir un ajustement serré sûr de la palier. Tout glissement axial ou radial est ainsi évité.
iglidur® - Montage, collage, usinage par enlèvement de copeaux
Pas sûr.e que ce soit le bon choix ?
