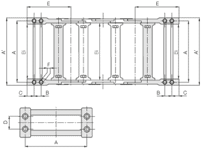
1. Partie latérale de goulotte, aluminium, 2 m
2. Bande de glissement, polymère, 2 m
3. Bandes latérales en polymère*, 2 m
4. Crapaud de montage, aluminium
5. Rail en C, acier zingué
6. Vis à six pans M8 x 20
7. Ecrou coulissant M8
8. Elément de raccordement « basic », polymère
10. En option : profilé amortissant, caoutchouc
*sans bandes latérales sur demande
La goulotte en aluminium, le standard igus®
La goulotte de guidage en aluminium est une goulotte modulaire destinée aux courses longues (quand le brin inférieur de la chaîne se pose sur le brin supérieur). La goulotte en
aluminium est disponible en des « versions de base » simples et économiques mais le système peut aussi être étendu pour la construction d'installations complexes.
Cet emploi universel en fait le standard recommandé par igus® pour les goulottes de guidage.
- Nombreuses possibilités de fixation (équerre de montage, crapaud de montage, éléments de liaison)
- Bandes latérales protégeant de l'usure latérale en présence de vitesses élevées
- Insensibilité à la corrosion grâce à l'aluminium résistant à l'eau de mer
- Montage flexible : raccordement au fond indépendamment de la longueur des profilés et des points de raccordement
Il n'y a pas de goulotte de guidage pour la chaîne choisie.