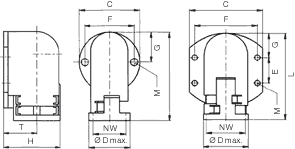
PMAFIX VOD : coudes de 90° avec bride
Ces raccords PMAFIX conviennent à un large éventail d´applications en conjonction avec les gaines annelées PMAFLEX, où ils assurent une sécurité et une étanchéité optimales.
Caractéristiques :
- IP66 : raccord à clip de sécurité universel intégré (AFN2), joint pour la bride (OR)
- IP68 : raccord à clips ovales (OVN2), joints pour la gaine et la bride (NVN3, OR)